நிங்போ ரிச்ஜ் டெக்னாலஜி கோ., லிமிடெட்.
நிங்போ ரிச்ஜ் டெக்னாலஜி கோ., லிமிடெட்.
தயாரிப்புகள்
தயாரிப்புகள்
விபிஐ -24 நிலையான வகை காப்பு சிலிண்டர் எம்.வி வெற்றிட சர்க்யூட் பிரேக்கர்
  • விபிஐ -24 நிலையான வகை காப்பு சிலிண்டர் எம்.வி வெற்றிட சர்க்யூட் பிரேக்கர்விபிஐ -24 நிலையான வகை காப்பு சிலிண்டர் எம்.வி வெற்றிட சர்க்யூட் பிரேக்கர்
  • விபிஐ -24 நிலையான வகை காப்பு சிலிண்டர் எம்.வி வெற்றிட சர்க்யூட் பிரேக்கர்விபிஐ -24 நிலையான வகை காப்பு சிலிண்டர் எம்.வி வெற்றிட சர்க்யூட் பிரேக்கர்

விபிஐ -24 நிலையான வகை காப்பு சிலிண்டர் எம்.வி வெற்றிட சர்க்யூட் பிரேக்கர்

Model:VBI-24
விபிஐ தொடர் உட்புற வெற்றிட சர்க்யூட் பிரேக்கர் ஒரு புதிய தலைமுறை புத்திசாலித்தனமான வெற்றிட சர்க்யூட் பிரேக்கர்கள் ஆகும். உயர் செயல்திறன் கொண்ட வெற்றிட குறுக்கீடு மற்றும் மேல் மற்றும் கீழ் வெளிச்செல்லும் முனையங்கள் உள்ளிட்ட அதன் நேரடி கூறுகள் எபோக்சி பிசின் போஸ்ட் டெர்மினல்களில் இணைக்கப்பட்டுள்ளன. இந்த வடிவமைப்பு வெற்றிட குறுக்கீட்டின் மேற்பரப்பில் மாசுபடுவதைத் தடுக்க உதவுகிறது, அதன் காப்பு பண்புகள், இயந்திர நிலைத்தன்மையை மேம்படுத்துகிறது மற்றும் அதன் செயல்பாட்டு ஆயுட்காலம் விரிவாக்குகிறது. விபிஐ -24 பக்க ஏற்றப்பட்ட வகை வெற்றிட சர்க்யூட் பீக்கரின் செயல்பாட்டு வழிமுறை சேமிப்பக ஆற்றலுக்கு வசந்தம் பயன்படுத்தப்படுகிறது, இது இரண்டு வழிகளில், கையேடு அல்லது மின்.<10kv Indoor High Voltage Vacuum Circuit Breaker General Technical Specifications>, IEC56 தரத்தின் தொடர்புடைய விதிகள். விபிஐ -24 உட்புற உயர் மின்னழுத்த வெற்றிட சர்க்யூட் பிரேக்கர் என்பது மூன்று கட்ட ஏசி 50 ஹெர்ட்ஸ் , 24 கி.வி உட்புற சாதனத்தின் மதிப்பிடப்பட்ட மின்னழுத்தம்-தொழில்துறை மற்றும் சுரங்க நிறுவனங்கள், மின் உற்பத்தி நிலையங்கள் மற்றும் துணை மின்நிலையங்களை மின் உபகரணங்கள் கட்டுப்பாடு மற்றும் பாதுகாப்பு நோக்கங்களுக்காகவும், அந்த இடத்தின் அடிக்கடி செயல்படுவதற்கும் ஆகும்.

விபிஐ -24 நிலையான வகை காப்பு சிலிண்டர் எம்.வி வெற்றிட சர்க்யூட் பிரேக்கர்

   உட்புற உயர் மின்னழுத்த வெற்றிட சர்க்யூட் பிரேக்கர் உட்பொதிக்கப்பட்ட துருவங்களைக் கொண்ட விபிஐ -24 தொடர் A.C.50 ஹெர்ட்ஸ் உட்புற மின் விநியோக உபகரணங்கள் 24 kV.IT இன் மதிப்பிடப்பட்ட மின்னழுத்தத்துடன் தொழில் மற்றும் சுரங்க நிறுவனங்கள், மின் உற்பத்தி நிலையங்கள் மற்றும் துணை நிலைகள் ஆகியவற்றின் துறைகளில் மின் சாதனங்களைப் பாதுகாக்கவும் கட்டுப்படுத்தவும் பயன்படுத்தப்படுகின்றன.

   வசந்த பொறிமுறையுடன் இந்த வகை வெற்றிட சர்க்யூட் பிரேக்கரின் முக்கிய கடத்தும் சுற்று உட்பொதிக்கப்பட்ட துருவமாகும், இது காப்பு, இயந்திர மற்றும் உடைக்கும் செயல்திறனின் நம்பகத்தன்மையை பெரிதும் மேம்படுத்துகிறது மற்றும் இலவச பராமரிப்பு மற்றும் நீண்ட இயந்திர மற்றும் மின் வாழ்க்கையை உண்மையில் உணர முடியும். இந்த வகை வெற்றிட சர்க்யூட் பிரேக்கர் தேசிய தரநிலைகள் மற்றும் IEC தரத்தின் நிபந்தனைகளுக்கு இணங்குகிறது. திறன் M-E2-C2 தரத்தை அடைகிறது.

   KYN28-24 (GZS1) போன்ற பல வகையான சுவிட்ச்கியருக்கு தயாரிப்பு பயன்படுத்தப்படுகிறது மற்றும் நிலையான நிறுவல் செய்யலாம்.

  விபிஐ -24 உட்புற உயர் மின்னழுத்த வெற்றிட சர்க்யூட் பிரேக்கர் என்பது மூன்று கட்ட ஏசி 50 ஹெர்ட்ஸ் , 24 கி.வி உட்புற சாதனத்தின் மதிப்பிடப்பட்ட மின்னழுத்தம்-தொழில்துறை மற்றும் சுரங்க நிறுவனங்கள், மின் உற்பத்தி நிலையங்கள் மற்றும் துணை மின்நிலையங்களை மின் உபகரணங்கள் கட்டுப்பாடு மற்றும் பாதுகாப்பு நோக்கங்களுக்காகவும், அந்த இடத்தின் அடிக்கடி செயல்படுவதற்கும் ஆகும்.







அடிப்படை தகவல்.


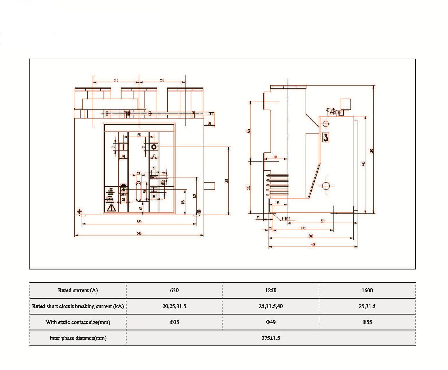
தொழில்நுட்ப அளவுருக்கள்




தொழில்நுட்ப வரைபடங்கள்

கேள்விகள்

கே: உங்கள் தயாரிப்புகளின் விலைகள் என்னிடம் இருக்க முடியுமா?

ப: வரவேற்கிறோம். தயவுசெய்து இங்கே எங்களுக்கு விசாரணையை அனுப்ப தயங்கவும். நாங்கள் உங்களுக்கு 24 மணி நேரத்திற்குள் பதிலளிப்போம்.


கே: மொத்த ஆர்டருக்கு முன் நான் ஒரு மாதிரியைப் பெறலாமா?

ப: ஆம், தரத்தை சோதிக்கவும் சரிபார்க்கவும் மாதிரி ஆர்டரை நாங்கள் வரவேற்கிறோம். ஒளிரும் மாதிரிகள் ஏற்றுக்கொள்ளத்தக்கவை.


கே: எங்கள் லோகோ/ நிறுவனத்தின் பெயரை தயாரிப்புகளில் அச்சிடலாமா?

ப: ஆம், நிச்சயமாக, நாங்கள் OEM ஐ ஏற்றுக்கொள்கிறோம், பின்னர் எங்களுக்கு பிராண்ட் அங்கீகாரத்தை வழங்க வேண்டும்


கே: தயாரிப்பு தனிப்பயனாக்கலை நீங்கள் ஏற்றுக்கொள்கிறீர்களா?

ப: ஆம், நிச்சயமாக, தயவுசெய்து குறிப்பிட்ட வரைபடங்கள் அல்லது அளவுருக்களை வழங்கவும், மதிப்பீட்டிற்குப் பிறகு நாங்கள் உங்களை மேற்கோள் காட்டுவோம்


கே: முன்னணி நேரம் என்ன?

ப: முன்னணி நேரம் கட்டளையிடப்பட்ட அளவைப் பொறுத்தது, பொதுவாக கட்டணம் பெற்ற 7-20 நாட்களுக்குள்.


கே: உங்கள் வர்த்தக விதிமுறைகள் என்ன?

ப: நாங்கள் EXW, FOB, CIF, FCA போன்றவற்றை ஏற்றுக்கொள்கிறோம்.


கே: உங்கள் கட்டண முறை என்ன?  

ப: டி/டி, வெஸ்டர்ன் யூனியன், பேபால், மாற்ற முடியாத எல்/சி போன்றவற்றை நாங்கள் ஏற்றுக்கொள்கிறோம்


கே: முடிக்கப்பட்ட தயாரிப்புகளை நீங்கள் ஆய்வு செய்கிறீர்களா?

ப: ஆமாம், உற்பத்தி மற்றும் முடிக்கப்பட்ட தயாரிப்புகளின் ஒவ்வொரு அடியும் கப்பல் போக்குவரத்துக்கு முன் கியூசி துறையால் ஆய்வு செய்யப்படும். ஏற்றுமதிக்கு முன் உங்கள் குறிப்புக்கான பொருட்கள் ஆய்வு அறிக்கைகளை நாங்கள் வழங்குவோம்


கே: விற்பனைக்குப் பிறகு தரமான சிக்கல்களை எவ்வாறு தீர்ப்பது?

.




தொழிற்சாலை


சான்றிதழ்




சூடான குறிச்சொற்கள்: விபிஐ -24 நிலையான வகை காப்பு சிலிண்டர் எம்.வி வெற்றிட சர்க்யூட் பிரேக்கர், சீனா, உற்பத்தியாளர், சப்ளையர், தொழிற்சாலை, குறைந்த விலை, தரம், சமீபத்திய விற்பனை, மேம்பட்ட
விசாரணையை அனுப்பு
தொடர்பு தகவல்
  • முகவரி

    எண் 1083 ஜாங்ஷான் கிழக்கு சாலை, யின்ஜோ மாவட்டம், நிங்போ சிட்டி, ஜெஜியாங் மாகாணம், சீனா

  • டெல்

    +86-18958965181

  • மின்னஞ்சல்

    sales@switchgearcn.net

குறைந்த மின்னழுத்த சுவிட்ச் கியர், உயர் மின்னழுத்த இன்சுலேட்டர்கள், உயர் மின்னழுத்த பூமி சுவிட்ச் அல்லது விலை பட்டியல் பற்றிய விசாரணைகளுக்கு, தயவுசெய்து உங்கள் மின்னஞ்சலை எங்களுக்கு அனுப்பவும், நாங்கள் 24 மணி நேரத்திற்குள் தொடர்பில் இருப்போம்.
செய்தி பரிந்துரைகள்
X
உங்களுக்கு சிறந்த உலாவல் அனுபவத்தை வழங்கவும், தள போக்குவரத்தை பகுப்பாய்வு செய்யவும் மற்றும் உள்ளடக்கத்தைத் தனிப்பயனாக்கவும் நாங்கள் குக்கீகளைப் பயன்படுத்துகிறோம். இந்தத் தளத்தைப் பயன்படுத்துவதன் மூலம், எங்கள் குக்கீகளைப் பயன்படுத்துவதை ஒப்புக்கொள்கிறீர்கள். தனியுரிமைக் கொள்கை
நிராகரிக்கவும் ஏற்றுக்கொள்