நிங்போ ரிச்ஜ் டெக்னாலஜி கோ., லிமிடெட்.
நிங்போ ரிச்ஜ் டெக்னாலஜி கோ., லிமிடெட்.
தயாரிப்புகள்
தயாரிப்புகள்
ZN12-12 தொடர் ஒருங்கிணைந்த நெடுவரிசை சுவிட்ச் வெற்றிட சர்க்யூட் பிரேக்கர்
  • ZN12-12 தொடர் ஒருங்கிணைந்த நெடுவரிசை சுவிட்ச் வெற்றிட சர்க்யூட் பிரேக்கர்ZN12-12 தொடர் ஒருங்கிணைந்த நெடுவரிசை சுவிட்ச் வெற்றிட சர்க்யூட் பிரேக்கர்
  • ZN12-12 தொடர் ஒருங்கிணைந்த நெடுவரிசை சுவிட்ச் வெற்றிட சர்க்யூட் பிரேக்கர்ZN12-12 தொடர் ஒருங்கிணைந்த நெடுவரிசை சுவிட்ச் வெற்றிட சர்க்யூட் பிரேக்கர்

ZN12-12 தொடர் ஒருங்கிணைந்த நெடுவரிசை சுவிட்ச் வெற்றிட சர்க்யூட் பிரேக்கர்

Model:ZN12-12
Zn12-12 தொடர் உட்புற ஏசி எச்.வி வெற்றிட சர்க்யூட் பிரேக்கர் என்பது மூன்று கட்டங்களின் உட்புற உபகரணங்கள் AC 50Hz, 12KV இன் மதிப்பிடப்பட்ட மின்னழுத்தம், இது ஜெர்மன் நிறுவனத்திடமிருந்து தொழில்நுட்பத்தை அறிமுகப்படுத்தியது. இது அனைத்து வகையான சுமை மற்றும் அடிக்கடி செயல்படும் பகுதிக்கு ஏற்றது, மேலும் தொழில்துறை மற்றும் சுரங்க, நிறுவன, மின் உற்பத்தி நிலையம் மற்றும் துணை மின்நிலைய மின் வசதிகளின் பாதுகாப்பு மற்றும் கட்டுப்பாட்டுக்கு பயன்படுத்தப்படலாம். இந்த தயாரிப்பு GB1984, JB3855, DL403 மற்றும் IEC தரநிலைகளின் தொடர்புடைய தேவைக்கு ஏற்ப உள்ளது.

ZN12-12 தொடர் ஒருங்கிணைந்த நெடுவரிசை சுவிட்ச் வெற்றிட சர்க்யூட் பிரேக்கர்

  Zn12-12 உட்புற உயர்-மின்னழுத்த வெற்றிட சர்க்யூட் பிரேக்கர் 12 கி.வி மற்றும் பின்வரும் உட்புற உயர் மின்னழுத்த சுவிட்ச் கியர், முக்கியமாக நிலையான சுவிட்ச் கியரில் நிறுவப்பட்டுள்ளது, தொழில்துறை மற்றும் சுரங்க நிறுவனங்கள், மின் உற்பத்தி நிலையங்கள் மற்றும் மின்மயமாக்கல்கள் மின் வசதிகளின் பாதுகாப்பு மற்றும் கட்டுப்பாட்டுக்காகவும், முக்கியமான சுமைகளையும், அந்த இடத்தின் முன்னேற்ற நடவடிக்கைகளுக்கும் ஏற்றது!

  Zn12 தொடர் வெற்றிட சர்க்யூட் பிரேக்கர்கள் 12KV, 24KV, மற்றும் 40.5KV மற்றும் மூன்று கட்ட ஏசி 50 ஹெர்ட்ஸ் மதிப்பிடப்பட்ட மின்னழுத்தங்களைக் கொண்ட உட்புற உயர் மின்னழுத்த சுவிட்ச் கியர் சாதனம் ஆகும். இது ஜெர்மன் சீமென்ஸ் 3AF தொழில்நுட்பத்தை அறிமுகப்படுத்துவதன் மூலம் உருவாக்கப்பட்ட ஒரு உள்நாட்டு தயாரிப்பு ஆகும். சர்க்யூட் பிரேக்கரின் இயக்க வழிமுறை ஒரு வசந்த ஆற்றல் சேமிப்பு வகையாகும், இது ஏசி அல்லது டி.சி அல்லது கைமுறையாக இயக்கப்படலாம். சர்க்யூட் பிரேக்கரில் எளிய அமைப்பு, வலுவான உடைக்கும் திறன், நீண்ட சேவை வாழ்க்கை மற்றும் முழுமையான செயல்பாட்டு செயல்பாடுகள் உள்ளன. வெடிப்பின் ஆபத்து இல்லை, பராமரிப்பு எளிது. மின் உற்பத்தி நிலையங்கள், துணை மின்நிலையங்கள் மற்றும் தொழில்துறை மற்றும் சுரங்க நிறுவனங்கள் போன்ற மின் பரிமாற்றம் மற்றும் விநியோக அமைப்புகளின் கட்டுப்பாடு அல்லது பாதுகாப்பு சுவிட்சுக்கு இது பொருத்தமானது, குறிப்பாக முக்கியமான சுமைகளையும் அடிக்கடி செயல்பாட்டு இடங்களையும் உடைப்பதற்கு ஏற்றது. சுவிட்ச் அமைச்சரவையில் சர்க்யூட் பிரேக்கரின் நிறுவல் வடிவம் ஒரு நிலையான வகை அல்லது திரும்பப் பெறக்கூடிய வகை சர்க்யூட் பிரேக்கராக இருக்கலாம். இந்த தயாரிப்பு GB1984, JB3855 மற்றும் IEC62271-100 “உயர் மின்னழுத்த ஏசி சர்க்யூட் பிரேக்கர்” போன்ற தொடர்புடைய தரங்களுடன் இணங்குகிறது.


நன்மைகள்:

1. சர்க்யூட் பிரேக்கர் ஆகஸ்ட் 96 ஆம் ஆண்டில் இயந்திர அமைச்சகம் மற்றும் மின்சார சக்தி அமைச்சின் மதிப்பீட்டை நிறைவேற்றியது, அதாவது தரம் முற்றிலும் உத்தரவாதம் அளிக்கப்படுகிறது.

சர்க்யூட் பிரேக்கர் பொறிமுறையானது சுவிட்சுடன் ஒருங்கிணைக்கப்பட்டுள்ளது, மேலும் சிறப்பு வசந்த ஆற்றல் சேமிப்பு வகை ஆக்சுவேட்டர் பொறிமுறையை ஏசி மற்றும் டிசி எனர்ஜி ஸ்டோரேஜ் மூலம் இயக்கலாம் அல்லது கைமுறையாக இயக்கலாம்.

எளிமையான கட்டமைப்பு, வலுவான உடைக்கும் திறன், நீண்ட சேவை வாழ்க்கை, முழுமையான செயல்பாட்டு செயல்பாடுகள், வெடிப்பு ஆபத்து மற்றும் எளிதான பராமரிப்பு ஆகியவற்றுடன், இந்த சர்க்யூட் பிரேக்கர் மின் உற்பத்தி பரிமாற்றம் மற்றும் விநியோக அமைப்பின் கட்டுப்பாட்டு அல்லது பாதுகாப்பு சுவிட்சுக்கு ஏற்றது, அதாவது மின் உற்பத்தி நிலையம், நகர மின் கட்டம், துணை மின்நிலையம் போன்றவை. முக்கியமான சுமைகளையும் இடங்களையும் அடிக்கடி செயல்படும் இடங்களை உடைப்பதற்கு இது மிகவும் பொருத்தமானது.


அம்சங்கள்:

1. வில் அணைக்கும் அறையின் உடைக்கும் திறன் அதிகமாக உள்ளது, தற்போதைய சுமக்கும் திறன் குறைவாக உள்ளது, மற்றும் மின் வாழ்க்கை நீளமானது.

2. தளவமைப்பு முன் இருந்து பின், எளிய மற்றும் சிறிய அமைப்பு, முழுமையான செயல்பாடு மற்றும் எளிதான பராமரிப்பு.

3. கட்டமைப்பதற்கும் நிறுவுவதற்கும், அவற்றை பிரிக்கலாம்: கிடைமட்ட நிலையான வகை, சாய்ந்த நிலையான வகை, நடுத்தர தொகுப்பு அசையும் வகை.






அடிப்படை தகவல்.



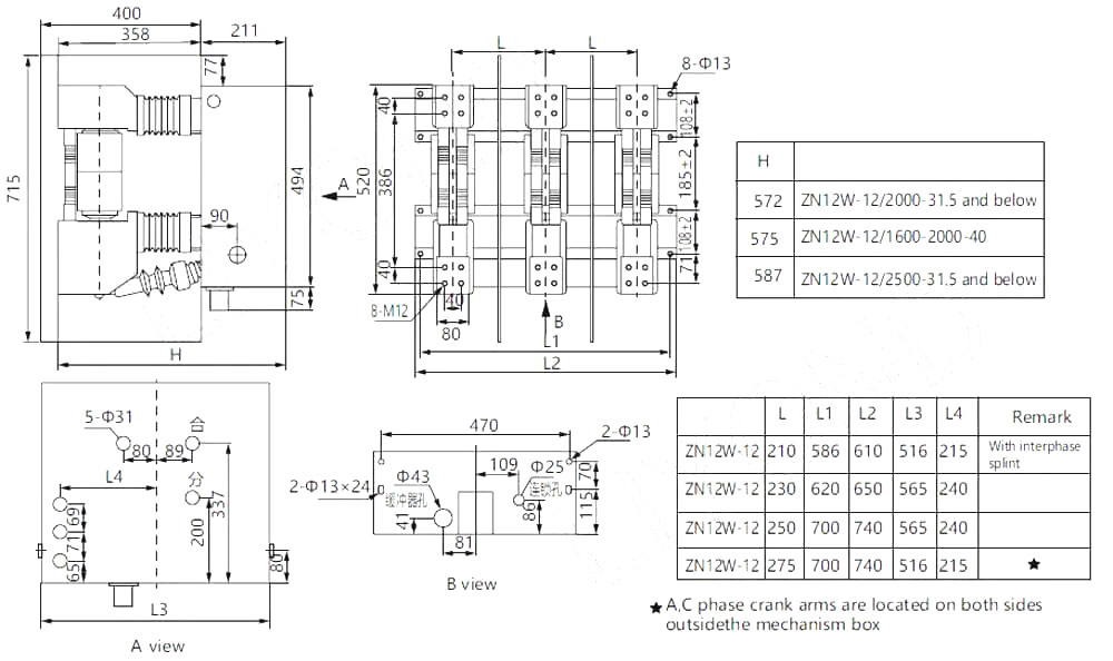
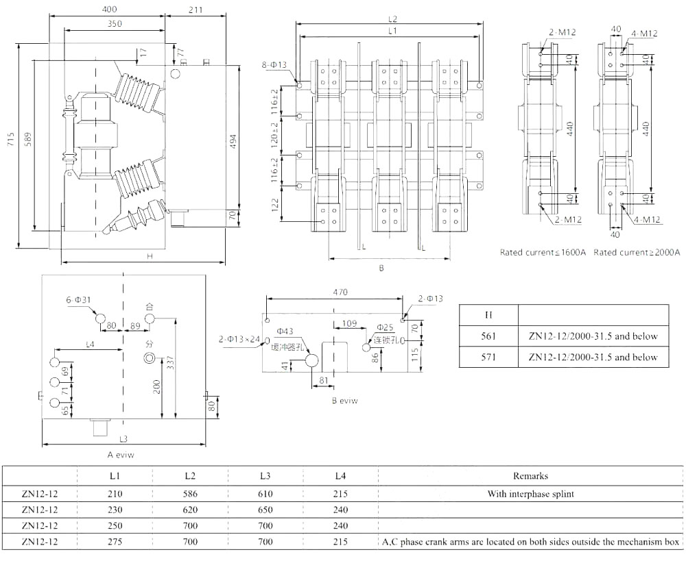
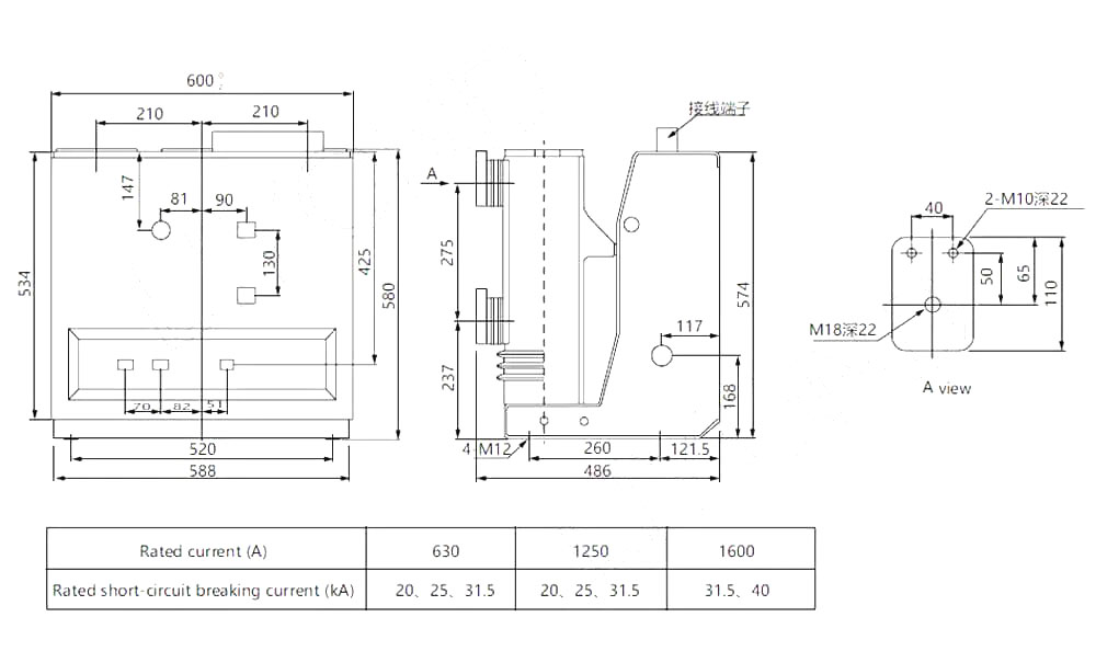
தொழில்நுட்ப அளவுருக்கள்



தொழில்நுட்ப வரைபடங்கள்


Zn12-12 ஒருங்கிணைந்த நெடுவரிசை சுவிட்ச் வெற்றிட சர்க்யூட் பிரேக்கர் 1 இன் பயன்பாட்டு நிலைமைகள். உயரம்: ≤1000 மீ; (முன்மாதிரியின் உயரம் 4000 மீட்டருக்கு கீழே அடையலாம்)

2. சுற்றுப்புற வெப்பநிலை: அதிகபட்சம் +40 ° C, குறைந்த -25 ° C;

3. உறவினர் ஈரப்பதம்: தினசரி சராசரி 95%க்கு மேல் இல்லை, மாத சராசரி 90%க்கு மேல் இல்லை;

4. பூகம்ப தீவிரம்: 8 க்கும் குறைவானது;

5. நிறுவல் சூழல்: நெருப்பு, வெடிப்பு ஆபத்து, அரிக்கும் வாயு இல்லை மற்றும் வன்முறை அதிர்வு இடம் இல்லை.

6. பயன்பாட்டு சூழல் மேலே உள்ளதை மீறினால், வெற்றிட சர்க்யூட் பிரேக்கர் உற்பத்தியாளரைத் தொடர்பு கொள்ளவும்.




கேள்விகள்

கே: உங்கள் தயாரிப்புகளின் விலைகள் என்னிடம் இருக்க முடியுமா?

ப: வரவேற்கிறோம். தயவுசெய்து இங்கே எங்களுக்கு விசாரணையை அனுப்ப தயங்கவும். நாங்கள் உங்களுக்கு 24 மணி நேரத்திற்குள் பதிலளிப்போம்.


கே: மொத்த ஆர்டருக்கு முன் நான் ஒரு மாதிரியைப் பெறலாமா?

ப: ஆம், தரத்தை சோதிக்கவும் சரிபார்க்கவும் மாதிரி ஆர்டரை நாங்கள் வரவேற்கிறோம். ஒளிரும் மாதிரிகள் ஏற்றுக்கொள்ளத்தக்கவை.


கே: எங்கள் லோகோ/ நிறுவனத்தின் பெயரை தயாரிப்புகளில் அச்சிடலாமா?

ப: ஆம், நிச்சயமாக, நாங்கள் OEM ஐ ஏற்றுக்கொள்கிறோம், பின்னர் எங்களுக்கு பிராண்ட் அங்கீகாரத்தை வழங்க வேண்டும்


கே: தயாரிப்பு தனிப்பயனாக்கலை நீங்கள் ஏற்றுக்கொள்கிறீர்களா?

ப: ஆம், நிச்சயமாக, தயவுசெய்து குறிப்பிட்ட வரைபடங்கள் அல்லது அளவுருக்களை வழங்கவும், மதிப்பீட்டிற்குப் பிறகு நாங்கள் உங்களை மேற்கோள் காட்டுவோம்


கே: முன்னணி நேரம் என்ன?

ப: முன்னணி நேரம் கட்டளையிடப்பட்ட அளவைப் பொறுத்தது, பொதுவாக கட்டணம் பெற்ற 7-20 நாட்களுக்குள்.


கே: உங்கள் வர்த்தக விதிமுறைகள் என்ன?

ப: நாங்கள் EXW, FOB, CIF, FCA போன்றவற்றை ஏற்றுக்கொள்கிறோம்.


கே: உங்கள் கட்டண முறை என்ன?  

ப: டி/டி, வெஸ்டர்ன் யூனியன், பேபால், மாற்ற முடியாத எல்/சி போன்றவற்றை நாங்கள் ஏற்றுக்கொள்கிறோம்


கே: முடிக்கப்பட்ட தயாரிப்புகளை நீங்கள் ஆய்வு செய்கிறீர்களா?

ப: ஆமாம், உற்பத்தி மற்றும் முடிக்கப்பட்ட தயாரிப்புகளின் ஒவ்வொரு அடியும் கப்பல் போக்குவரத்துக்கு முன் கியூசி துறையால் ஆய்வு செய்யப்படும். ஏற்றுமதிக்கு முன் உங்கள் குறிப்புக்கான பொருட்கள் ஆய்வு அறிக்கைகளை நாங்கள் வழங்குவோம்


கே: விற்பனைக்குப் பிறகு தரமான சிக்கல்களை எவ்வாறு தீர்ப்பது?

.




தொழிற்சாலை


சான்றிதழ்




சூடான குறிச்சொற்கள்: ZN12-12 தொடர் ஒருங்கிணைந்த நெடுவரிசை சுவிட்ச் வெற்றிட சர்க்யூட் பிரேக்கர், சீனா, உற்பத்தியாளர், சப்ளையர், தொழிற்சாலை, குறைந்த விலை, தரம், சமீபத்திய விற்பனை, மேம்பட்டது
விசாரணையை அனுப்பு
தொடர்பு தகவல்
  • முகவரி

    எண் 1083 ஜாங்ஷான் கிழக்கு சாலை, யின்ஜோ மாவட்டம், நிங்போ சிட்டி, ஜெஜியாங் மாகாணம், சீனா

  • டெல்

    +86-18958965181

  • மின்னஞ்சல்

    sales@switchgearcn.net

குறைந்த மின்னழுத்த சுவிட்ச் கியர், உயர் மின்னழுத்த இன்சுலேட்டர்கள், உயர் மின்னழுத்த பூமி சுவிட்ச் அல்லது விலை பட்டியல் பற்றிய விசாரணைகளுக்கு, தயவுசெய்து உங்கள் மின்னஞ்சலை எங்களுக்கு அனுப்பவும், நாங்கள் 24 மணி நேரத்திற்குள் தொடர்பில் இருப்போம்.
செய்தி பரிந்துரைகள்
X
We use cookies to offer you a better browsing experience, analyze site traffic and personalize content. By using this site, you agree to our use of cookies. Privacy Policy
Reject Accept